产品概述
KY485NE是一款应用于 RS-485 和RS-422 通信系统的收发芯片,KY485NE 发送和接收数据的传输速率高达 2.5Mbps。KY485NE 为半双工型,有驱动使能(DE)和接收使能( RE )管脚,当驱动器和接收器关闭时,驱动和接收输出为高阻。相比传统 RS-485 芯片, KY485NE 可以自动识别 A、B 线,不用特意区分 A、 B 线的连接。同时,通讯速率必须大于 25Hz。 
特性
应用
器件信息
简化通道结构图
    静电保护(ESD): ±15kV 人体模式(HBM)
    三态输出
    半双工
    总线允许多达 256 个收发器
    可实现 A,B 反接通讯
    与传统 RS-485 芯片完全兼容
  • 低功耗 RS-485 收发器
  • 低功耗 RS-422 收发器
  • 电平转换
  • 防电磁干扰(EMI)的收发器
  • 工控局域网
产品型号 封装 标准包装
KY485NE-XE3R SOP-8 Reel,2500
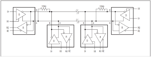
                                                                     典型双工 RS-485 网络

样品申请
在此提交样品申请表单,我们将3-7个工作日 内审核,请您耐心等待