产品概述
KY3485 是一系列抗噪声 RS-485 半双工收发器,能够运用在恶劣的工业、电力环境中。这些器件的总线引脚可耐受高级别的 ESD 事件,保护内部电路不受损害。 该系列器件支持 3V 到 5.5V 的工作电压,可提供小型 SOIC8 封装,适用于空间受限以及长电缆上的多点应用。 这些器件在自然通风环境下的工作温度范围为–40°C 至 125°C。 
特性
应用
器件信息
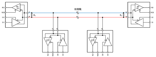
简化通道结构图
    满足或超过 TIA/EIA-485A 标准的要求半双工RS-485收发器
    数据速率
        KY3485LEEN:500kbps
        KY3485LFEN:20Mbps
    3V 至 5.5V 电源电压
    5V 供电时驱动器差分输出电压超过 2.1V,兼容PROFIBUS
    带有限流驱动器和热关断功能
    总线I/O ESD 保护
        ±20kV HBM ESD
        ±6kV IEC 61000-4-2 接触放电
    1/8 单位负载(支持多达 256 个总线节点)
    开路、短路和空闲总线失效保护
    扩展工业工作温度范围:–40°C 至 125°C
    共模电压范围:–7V 至 12V
    待机电流:<5µA
  • 无线基础设施
  • 工厂自动化和控制
  • 电力测量(智能电表)
  • 楼宇自动化
  • HVAC 系统
  • 视频监控
产品型号 封装 标准包装
KY3485LEEN-CA3R SOIC8 Reel,2500
KY3485LFEN-CA3R SOIC8 Reel, 2500
                                                            使用半双工收发器的典型 RS-485 网络结构
样品申请
在此提交样品申请表单,我们将3-7个工作日 内审核,请您耐心等待